Skocz do zawartości
  • 0

honda b75


piotrus19835

Pytanie

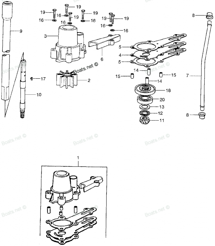
Witam szystkich posiadam silnik zaburtowy honda b75 7.5km mam problem silnik jest "chyba" zapowietrzony odpala ladnie wkreca sie ale nie ma chłodzenia pomapa wody sprawdzona wirnik caly ale nie odpompowuje wody w celu chłodzenia Prosze o pomoc jak to załatwić

Odnośnik do komentarza
Udostępnij na innych stronach

8 odpowiedzi na to pytanie

Rekomendowane odpowiedzi

  • 0

kanał odetkany wirnik pompy wody 3 łopatki rozerwane ale jest jeszcze jeden problem wałek co idzie przez cała pompe jest skorodowany i to strasze wżery na 7mm to naspawienia i przetoczenia tylko nie moge nigdzie dorwac uszczelek i oringa co idzie na wirniku skad mozna sciagnac czekam na info caly komplet

Odnośnik do komentarza
Udostępnij na innych stronach

Dołącz do dyskusji

Możesz dodać zawartość już teraz a zarejestrować się później. Jeśli posiadasz już konto, zaloguj się aby dodać zawartość za jego pomocą.

Gość
Odpowiedz na pytanie...

×   Wklejono zawartość z formatowaniem.   Usuń formatowanie

  Dozwolonych jest tylko 75 emoji.

×   Odnośnik został automatycznie osadzony.   Przywróć wyświetlanie jako odnośnik

×   Przywrócono poprzednią zawartość.   Wyczyść edytor

×   Nie możesz bezpośrednio wkleić grafiki. Dodaj lub załącz grafiki z adresu URL.

Ładowanie
×
×
  • Dodaj nową pozycję...