kubutek Opublikowano 25 Sierpnia 2019 Zgłoś Udostępnij Opublikowano 25 Sierpnia 2019 Przyłączam się do pytania kolegi Rheinangler. Mam dwa Emblemy Z do rzetelnego przeserwisowania. Cena nie gra roli. Cytuj Odnośnik do komentarza Udostępnij na innych stronach Więcej opcji udostępniania...
DamianS Opublikowano 27 Października 2019 Zgłoś Udostępnij Opublikowano 27 Października 2019 Witam wszystkich, Kupiłem w tamtym miesiącu Daiwe Freams 3000a. Po kilku razach zaczęło mi cos terkotać. Wg mnie odgłos dochodzi z rolki prowadzącej plecionkę. Wczoraj ja rozebrałem, była tam masa syfu. Wszystko wyczyściłem, dałem kropelkę oleju i generalnie jest ok ale widzę ze problem będzie powracał. Nie za bardzo chce mi się reklamować kołowrotek z tego powodu bo zdaje sobie sprawę z tego ze serwisu Daiwy nie ma w Polsce i reklamacja potrwa kilka miesięcy. Czytałem kilka wątków na forum dotyczących innych modeli takich jak Caldia i widzę ze zamiast tych tulejek w środku można wstawić łożysko + podkładki – może to by rozwiązało mój problem. Czy ktoś z forumowiczów mógłby mi powiedzieć jakie łożysko oraz podkładki by się nadały i gdzie cos takiego mógłbym nabyć? Bardzo dziękuje za pomoc. Cytuj Odnośnik do komentarza Udostępnij na innych stronach Więcej opcji udostępniania...
didi Opublikowano 27 Października 2019 Zgłoś Udostępnij Opublikowano 27 Października 2019 https://www.hedgehog-studio.co.jp/page/5 Cytuj Odnośnik do komentarza Udostępnij na innych stronach Więcej opcji udostępniania...
Robson2 Opublikowano 28 Października 2019 Zgłoś Udostępnij Opublikowano 28 Października 2019 Dołączę się do tematu.Rozważam taką wymianę łożyska w Exceler do którego w tym ww. sklepie też jest dostępny zestaw podkładek i łożysko.Zestaw w lepszej wersji kosztuje około 60zł plus koszt wysyłki. Czy ktoś z forum kupił takie łożysko do rolki i jest zadowolony z niego po dłuższym czasie użytkowania?Swoją drogą całkowicie chybione rozwiązanie Daiwy z tymi tulejami pod rolką. Cytuj Odnośnik do komentarza Udostępnij na innych stronach Więcej opcji udostępniania...
smokwelski Opublikowano 29 Października 2019 Zgłoś Udostępnij Opublikowano 29 Października 2019 Dlaczego? Tam nie ma możliwość prostego tuningu, jak np. w korbkach Shimano, gdzie tuleje zamienia się na łożyska i git (ewentualnie podkładeczka, tam gdzie trzeba). W excellerze i pokrewnych nie ma to wielkiego sensu, bo trzeba sporo kombinować (a i tak nie będzie idealnie) lub kupić taki zestawik, który nie jest tani w porównaniu do wartości kołowrotka. Dobrze skonstruowana i właściwie przesmarowana tulejka teflonowa daje radę. Nie zauważysz w praktyce dużej różnicy. 1 Cytuj Odnośnik do komentarza Udostępnij na innych stronach Więcej opcji udostępniania...
Andru77 Opublikowano 29 Października 2019 Zgłoś Udostępnij Opublikowano 29 Października 2019 No właśnie dobrze skonstruowana. Kiedyś widziałem 30-40 kołowrotków Quantum, niektóre wyglądały jak nowe lub delikatnie używane a rolki miały przetarte tak więc nie nadawały się do użytku. Wiedząc o tym znajomemu wymieniłem tulejke w nowym na łożysko(takie zwykłe, żadne EZO) i nic się nie dzieje.A używa go już dobre dwa sezony. Samo smarowanie nic nie pomogło bo rolka w zasadzie się nie obracała przed jak i po zabiegu. Niby kołowrotki po jakieś 100-200 zł ale wypadało by żeby choć sezon pośmigały. Podobna sytuacja była w cale nie tanich Browningach (feeder) u kolegi. Nie wiem czy rolka by się wytarła bo po pierwszym wędkowaniu tak skręcały żyłkę, że zwinął się wcześniej z łowiska bo nie dało się łapać. Wymieniłem tulejki na łożyska i sytuacja się poprawiła. Cytuj Odnośnik do komentarza Udostępnij na innych stronach Więcej opcji udostępniania...
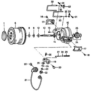
radek_u Opublikowano 29 Października 2019 Zgłoś Udostępnij Opublikowano 29 Października 2019 Podpowie ktoś u kogo lub gdzie można dostać rolkę prowadzącą, łożysko i śrubkę od Daiwy Emblem-X 3000ia? 1 Cytuj Odnośnik do komentarza Udostępnij na innych stronach Więcej opcji udostępniania...
Robson2 Opublikowano 31 Października 2019 Zgłoś Udostępnij Opublikowano 31 Października 2019 Dlaczego?Tam nie ma możliwość prostego tuningu, jak np. w korbkach Shimano, gdzie tuleje zamienia się na łożyska i git (ewentualnie podkładeczka, tam gdzie trzeba). W excellerze i pokrewnych nie ma to wielkiego sensu, bo trzeba sporo kombinować (a i tak nie będzie idealnie) lub kupić taki zestawik, który nie jest tani w porównaniu do wartości kołowrotka. Dobrze skonstruowana i właściwie przesmarowana tulejka teflonowa daje radę. Nie zauważysz w praktyce dużej różnicy. Te tuleje mam obecnie tylko w jednym kołowrotku Daiwy.Uważam, że jest to słabe rozwiązanie ponieważ średnio co 5 - 6 wypraw muszę rozkręcać rolkę, czyścić ją i oliwić cały zestaw drobnych części pod rolką, które trzeba złożyć w odpowiedniej kolejności. Jeśli tego nie zrobię to zwijaniu linki towarzyszy głośny szum. Po czyszczeniu jest z tym spokój na kolejnych kilka wypraw. Nie mam takich problemów z kołowrotkami w których rolka jest na łożysku. W nich wystarczy raz na koniec sezonu wyczyścić rolkę i naoliwić łożysko. Cytuj Odnośnik do komentarza Udostępnij na innych stronach Więcej opcji udostępniania...
smokwelski Opublikowano 1 Listopada 2019 Zgłoś Udostępnij Opublikowano 1 Listopada 2019 Sprubuj zastosować zamiast oliwki dobry smar. Do rolek na tulejkach dobry jest np. Super Lube, silikonowy. Jak chcesz mieć spokój na cały sezon to specjalistyczny hydrofobowy do rolek np. DG18 Shimano. Chyba się z Daiwą nie pogryzą :-) W moich się dogadują :-D Cytuj Odnośnik do komentarza Udostępnij na innych stronach Więcej opcji udostępniania...
Kokosz Opublikowano 22 Listopada 2019 Zgłoś Udostępnij Opublikowano 22 Listopada 2019 Albo gęsta oliwka do warunków "wodno-błotnych" kupiona w sklepie rowerowym. Cytuj Odnośnik do komentarza Udostępnij na innych stronach Więcej opcji udostępniania...
smokwelski Opublikowano 23 Listopada 2019 Zgłoś Udostępnij Opublikowano 23 Listopada 2019 Do rolek na tulejkach teflonowych/metalowych tak, ale do rolek łożynkowanych żadnej oliwy! Wypłucze smar z łożyska. Niby będzie działać, ale może szumieć. Cytuj Odnośnik do komentarza Udostępnij na innych stronach Więcej opcji udostępniania...
filser Opublikowano 25 Listopada 2019 Zgłoś Udostępnij Opublikowano 25 Listopada 2019 witam mam pytanko na jakiej zasadzie działa hamulec w daiwie surf , Cytuj Odnośnik do komentarza Udostępnij na innych stronach Więcej opcji udostępniania...
filser Opublikowano 26 Listopada 2019 Zgłoś Udostępnij Opublikowano 26 Listopada 2019 witam mam pytanko na jakiej zasadzie działa hamulec w daiwie surf ,wychodzi na to że ta daiwa jest bez hamulca te śrubki i blaszka to uj wie co to jest. może ktoś przerabiał to ustrojstwo lub zamieniał szpule od innej daiwy z góry dziękuję za info. Cytuj Odnośnik do komentarza Udostępnij na innych stronach Więcej opcji udostępniania...
Andru77 Opublikowano 26 Listopada 2019 Zgłoś Udostępnij Opublikowano 26 Listopada 2019 Może trzeba poluzować te dwie śrubki i ustawić ręcznie tą tarczą. Następnie dokręcasz śrubki i trzyma.Tam jest podziałka to może tak być. Pewnie niewielki zakres regulacji, większe skoki siły docisku. Cytuj Odnośnik do komentarza Udostępnij na innych stronach Więcej opcji udostępniania...
filser Opublikowano 26 Listopada 2019 Zgłoś Udostępnij Opublikowano 26 Listopada 2019 Może trzeba poluzować te dwie śrubki i ustawić ręcznie tą tarczą. Następnie dokręcasz śrubki i trzyma.Tam jest podziałka to może tak być. Pewnie niewielki zakres regulacji, większe skoki siły docisku.Pod tą podkladką nic nie ma goły plastik widać , od dołu szpulki też widać że to jednolity korpus może ten typ tak ma Cytuj Odnośnik do komentarza Udostępnij na innych stronach Więcej opcji udostępniania...
filser Opublikowano 13 Grudnia 2019 Zgłoś Udostępnij Opublikowano 13 Grudnia 2019 (edytowane) hej temat ogarnięty oryginalnie ta daiwa jest bez hamulca ,kupiłem szpule i pokrętło trochę toczenia i gitara i przy okazji zyskała dwa łożyska pod szpulę Edytowane 13 Grudnia 2019 przez filser 1 Cytuj Odnośnik do komentarza Udostępnij na innych stronach Więcej opcji udostępniania...
Biegus1 Opublikowano 8 Stycznia 2020 Zgłoś Udostępnij Opublikowano 8 Stycznia 2020 Witam, czy ktos zajmuje sie serwisem daiwy w PL. Mam uzywanego morethana i brakuje mu ferremagnetyku, przez to slychac jakby tuleja tarla o podstawe. Pomocy Cytuj Odnośnik do komentarza Udostępnij na innych stronach Więcej opcji udostępniania...
Jozi Opublikowano 8 Stycznia 2020 Zgłoś Udostępnij Opublikowano 8 Stycznia 2020 (edytowane) Witam, czy ktos zajmuje sie serwisem daiwy w PL. Mam uzywanego morethana i brakuje mu ferremagnetyku, przez to slychac jakby tuleja tarla o podstawe. PomocySzukaj na Facebooku Rafał Spigot albo Józef Leśniak.Serwis Grobelny daiwą się nie para, innych nie znam.https://www.facebook.com/spigot.castmania?fref=search&__tn__=%2Cd%2CP-R&eid=ARCUF14we59Gd50gng9qLttnyO_9fpI8ABjxSsSKNTGTAS7zkcNlTkzNg4jOWavgCZR3n0vpRXBKs2KG Edytowane 8 Stycznia 2020 przez Jozi Cytuj Odnośnik do komentarza Udostępnij na innych stronach Więcej opcji udostępniania...
Kokosz Opublikowano 8 Stycznia 2020 Zgłoś Udostępnij Opublikowano 8 Stycznia 2020 Witam, czy ktos zajmuje sie serwisem daiwy w PL. Mam uzywanego morethana i brakuje mu ferremagnetyku, przez to slychac jakby tuleja tarla o podstawe. Pomocy Szukaj na Facebooku Rafał Spigot albo Józef Leśniak.Serwis Grobelny daiwą się nie para, innych nie znam.https://www.facebook.com/spigot.castmania?fref=search&__tn__=%2Cd%2CP-R&eid=ARCUF14we59Gd50gng9qLttnyO_9fpI8ABjxSsSKNTGTAS7zkcNlTkzNg4jOWavgCZR3n0vpRXBKs2KGJeszcze Łukasz ("profil nieaktywny"/'kombajnista z PGR") Cytuj Odnośnik do komentarza Udostępnij na innych stronach Więcej opcji udostępniania...
TAURUS1989 Opublikowano 26 Stycznia 2020 Zgłoś Udostępnij Opublikowano 26 Stycznia 2020 Skąd pewność że tego olejku tam niema? Wszystkie moje daiwy poza presso2025 szeleściły ale ten ferrofluid tam był Nowe daiwy tak po prostu pracują Cytuj Odnośnik do komentarza Udostępnij na innych stronach Więcej opcji udostępniania...
didi Opublikowano 28 Marca 2020 Zgłoś Udostępnij Opublikowano 28 Marca 2020 (edytowane) panowie ,chce wymienić rolke w daiwie caldia kix2500 na łożyskowaną,wie ktoś może od jakiego modelu by podeszła,i gdzie można by było zamówić? Edytowane 28 Marca 2020 przez didi Cytuj Odnośnik do komentarza Udostępnij na innych stronach Więcej opcji udostępniania...
Qowax001 Opublikowano 28 Marca 2020 Zgłoś Udostępnij Opublikowano 28 Marca 2020 panowie ,chce wymienić rolke w daiwie caldia kix2500 na łożyskowaną,wie ktoś może od jakiego modelu by podeszła,i gdzie można by było zamówić?Ale po co zmieniać ? Tam się normalnie dodaje łożysko zamiast mosiądzu i białego teflonu, niebieski stabilizator zostaje , do łożyska potrzebujesz 2 grube podkładki dystansujace i polecam zostać przy 2 bo akurat w rolce efekt sprezynowania źle się skończy. 1 Cytuj Odnośnik do komentarza Udostępnij na innych stronach Więcej opcji udostępniania...
lopez77m Opublikowano 24 Czerwca 2020 Zgłoś Udostępnij Opublikowano 24 Czerwca 2020 Cześć,Podpowie Ktoś jakim smarem ,oliwką przesmarować rolkę prowadzącą,łożyska w Daiwie Certate 16 tej z mag steelem ?Jak to ogarnąć bo strasznie szumi ? Dzięki Cytuj Odnośnik do komentarza Udostępnij na innych stronach Więcej opcji udostępniania...
Maweric88 Opublikowano 25 Grudnia 2020 Zgłoś Udostępnij Opublikowano 25 Grudnia 2020 czytalem na necie ze nie ma w polsce serwisu daiwa ale to info z przed 5 lat czy cos sie zmienilo ??? czy ktos moze odpowiedziec ? Cytuj Odnośnik do komentarza Udostępnij na innych stronach Więcej opcji udostępniania...
miramar69 Opublikowano 25 Grudnia 2020 Zgłoś Udostępnij Opublikowano 25 Grudnia 2020 ... nie było , nie ma i długo nie będzie , chyba ... Cytuj Odnośnik do komentarza Udostępnij na innych stronach Więcej opcji udostępniania...
Rekomendowane odpowiedzi
Dołącz do dyskusji
Możesz dodać zawartość już teraz a zarejestrować się później. Jeśli posiadasz już konto, zaloguj się aby dodać zawartość za jego pomocą.