niko333 Opublikowano 1 Maja 2016 Zgłoś Udostępnij Opublikowano 1 Maja 2016 Witam. Poszukuję osoby która dorobiłaby zewnentrzny regulator do silnika zaburtowego lub też doradziłaby od czego taki regulator zaadoptować. Tel. 608737988 Cytuj Odnośnik do komentarza Udostępnij na innych stronach Więcej opcji udostępniania...
0 karkoszek Opublikowano 27 Marca 2018 Zgłoś Udostępnij Opublikowano 27 Marca 2018 Dzięki:) wszystko gra. 13,8-14V. Ale ciężki ze mnie przypadek 1 Cytuj Odnośnik do komentarza Udostępnij na innych stronach Więcej opcji udostępniania...
0 womaly23 Opublikowano 27 Marca 2018 Zgłoś Udostępnij Opublikowano 27 Marca 2018 He spoko, ładowanie dojdzie zapewne do 14.4-14.7 jak aku będzie w pełni naładowany chociaż nie koniecznie Cytuj Odnośnik do komentarza Udostępnij na innych stronach Więcej opcji udostępniania...
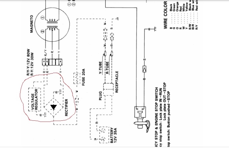
0 Pawel_MORD_Jezewski Opublikowano 3 Lutego 2022 Zgłoś Udostępnij Opublikowano 3 Lutego 2022 Odkopuje i Witam wszystkich.Pacjent Suzuki DT 9.9km 2 Suw.Co wpiąć w zaznaczonym miejscu żeby uzyskać ładowanie?? Taki regulator wystarczy czy potrzeba cos jeszcze??https://allegro.pl/oferta/regulator-prostownika-do-suzuki-df-4-5-6-9-9-15-11355491063?utm_feed=aa34192d-eee2-4419-9a9a-de66b9dfae24&utm_source=google&utm_medium=cpc&utm_campaign=_mtrzcj_chemiakcesor_pla_ss&ev_adgr=Chemia_i_akcesoria&ev_campaign_id=14493242333&gclid=Cj0KCQiArt6PBhCoARIsAMF5wagzYbp4mux2HZr9_MYmSGLhpVVbTQ8orRH3jKwWbLt2m_9QHvqp3QkaAhC3EALw_wcB Cytuj Odnośnik do komentarza Udostępnij na innych stronach Więcej opcji udostępniania...
Pytanie
niko333
Witam. Poszukuję osoby która dorobiłaby zewnentrzny regulator do silnika zaburtowego lub też doradziłaby od czego taki regulator zaadoptować. Tel. 608737988
Odnośnik do komentarza
Udostępnij na innych stronach
28 odpowiedzi na to pytanie
Rekomendowane odpowiedzi
Dołącz do dyskusji
Możesz dodać zawartość już teraz a zarejestrować się później. Jeśli posiadasz już konto, zaloguj się aby dodać zawartość za jego pomocą.