Skocz do zawartości
  • 0

Gdzie kupować używane części do silników spalinowych ?


newrom

Pytanie

Cześć

 

Może ktoś podpowie gdzie można znaleźć używane części do silników spalinowych ?

Dzisiaj mnie naszło że bym sobie założył rozrusznik elektryczny, ale po zerknięciu na ceny nowych części to mi wyszło że taniej kupić silnik z rozrusznikiem ;) 

Części typu koło zębate czy rozrusznik powinny być dostępne jako używki, tylko gdzie ?

Odnośnik do komentarza
Udostępnij na innych stronach

12 odpowiedzi na to pytanie

Rekomendowane odpowiedzi

  • 0

Psulek, dzięki ale to oczywiste. Chodziło mi np o namiary na firmy które się specjalizują w używanych częściach.

Kotwitz, mariner viking 10/15 hp. Myślę o starterze bo knuję konsolę z kierownicą i manetką, Silnik ma biegi w  manetce czyli koszty powinny być minimalne. Jakby się uprzeć to tylko sterociąg z kierownicą i dwa dorobione cięgna zmieniające kierunek obrotów śruby jednocześnie operujące przepustnicą na byleczym czyli choćby na oryginalnym rumplu przykręconym do konsoli. W tej wizji nie podoba mi się to że po zgaszeniu silnika trzeba się odwracać i szarpać (ponton mam mały, nie będę musiał chodzić). Wszystko na razie w fazie przemyśleń i liczenia dularów.

Odnośnik do komentarza
Udostępnij na innych stronach

  • 0

@newroom - jeżeli chodzi ci o sklep, stronę lub portal ogłoszeniowy tylko z częściami używanymi do silników zaburtowych, to ja takiego nie znam. Są za mało mainstreamowe, żeby funkcjonowały dla nich szroty jak dla samochodów. Można pisać po serwisach albo handlarzach silników używanych - onie często składają jeden silnik z kilku i mają części.  Z nowymi jest boats.net

Edytowane przez psulek
Odnośnik do komentarza
Udostępnij na innych stronach

  • 0

Kilka lat temu trafiłem na taki sklep w USraju, myślałem że jest coś podobnego w EU albo u Elki :)

np

http://www.marinepartsoutlet.com/

 

Ale teraz wymyśliłem żeby zawęzić wyszukiwanie gugla do uk i znalazłem

http://www.boatsandoutboards.co.uk/Boat-engines/Engine-Spares-for-sale

http://www.ronhalemarine.co.uk/superbasket/category/36/Used/Old_Outboard_Parts

Cośtam w EU jest, póki nie wejdą cła na towary z wyspy to nawet w ludzkim języku będzie można coś znaleźć :-D

Odnośnik do komentarza
Udostępnij na innych stronach

  • 0

Witam,
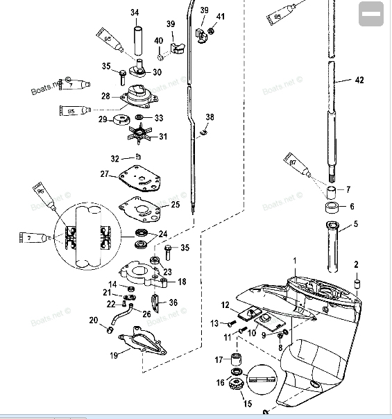
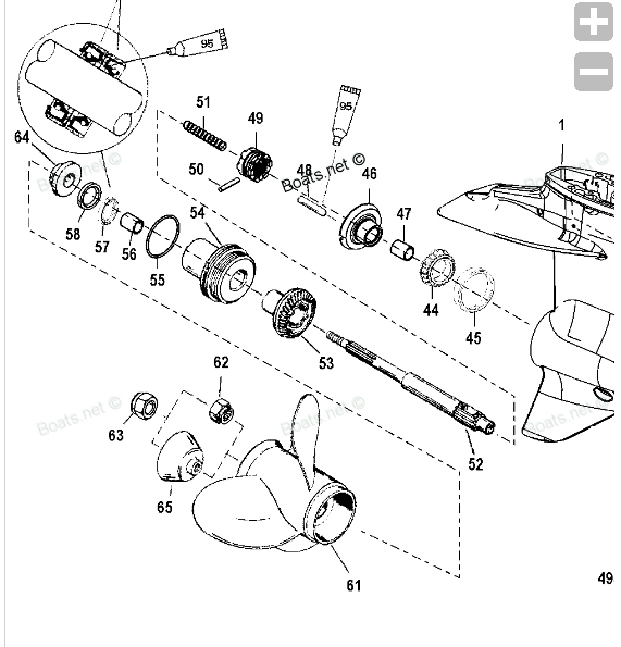
potrzebuję kupić poniższe części do silnika Mariner 9,9 0P017000 THRU 0P325499

 

6. Sleeve - 823944

7. Bushing - 823943

17. Roller Bearing - 22756
24. Oil Seal - 41 365 1.
31. impeler - 42 0382.   

55. O-Ring (1.984x .139) - 33145
56. Bushing. - 82 1927
57  Seal.      - 99 325.
58.  Oil Seal   - 82 1928.   

59. Screw, (M8 x 50 ) – 824071 10
64. Trust hub  - 82 1932 1. 
65. Rezerwe trust cup. - 82 2559A1

 

Czy możecie podać namiary do sprawdzonych sklepów w usa i w kraju gdzie mogę tanio kupić niezbędne części - niestety http://www.boats.net nie wysyła części do polski :(

 

post-49917-0-87512100-1495041689_thumb.jpgpost-49917-0-26965900-1495041695_thumb.jpgpost-49917-0-53329200-1495041700_thumb.jpg

Z góry dzięki za pomoc

Odnośnik do komentarza
Udostępnij na innych stronach

  • 0

Witam.podłączam się do tematu.Ja rownież planuje zamontować rozrusznik do yamahy 40hp z 2000r.Szukam rozrusznika i koła zębatego oraz regulatora.Znalazlem strone Taiwan gdzie posiadaja zamienniki może ktoś coś więcej wie.

http://www.startermotors.org/pl/contactend.html

Odnośnik do komentarza
Udostępnij na innych stronach

  • 0

Taniej będzie kupić trupa na części.

Nie dawno sprzedałem kompletny silnik (po zatarciu) w częściach za nieco ponad 1000, którego kiedyś kupiłem jako dawce między innymi dla Power trimu.

Jakby co to oryginalne regulatory do yamaha jeszcze mam dwa.

Odnośnik do komentarza
Udostępnij na innych stronach

Dołącz do dyskusji

Możesz dodać zawartość już teraz a zarejestrować się później. Jeśli posiadasz już konto, zaloguj się aby dodać zawartość za jego pomocą.

Gość
Odpowiedz na pytanie...

×   Wklejono zawartość z formatowaniem.   Usuń formatowanie

  Dozwolonych jest tylko 75 emoji.

×   Odnośnik został automatycznie osadzony.   Przywróć wyświetlanie jako odnośnik

×   Przywrócono poprzednią zawartość.   Wyczyść edytor

×   Nie możesz bezpośrednio wkleić grafiki. Dodaj lub załącz grafiki z adresu URL.

Ładowanie
×
×
  • Dodaj nową pozycję...